Накладка 1Р-50 и б/у

10 руб.

Заказать
  Гарантия качества
  Выгодная оптовая цена

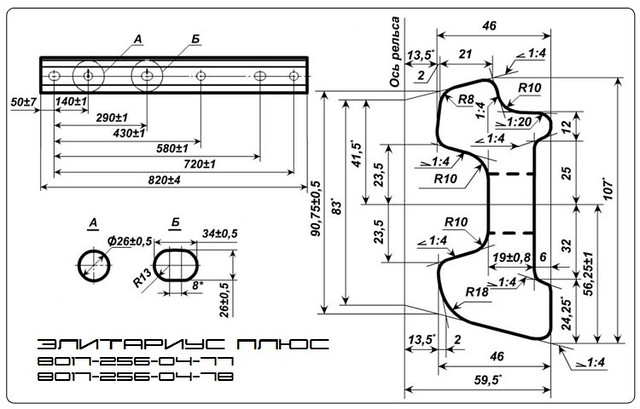
Описание: Накладка 1Р-50 относится к болтовому скреплению. Предназначена для скрепления с внутренней и внешней стороны шейки рельса Р-50 между собой, с помощью болта стыкового. Накладка 1Р-50 имеет три отверстия d26 и три отверстия 34х8 под Болт стыковой М24х150.

Накладка 1Р-50(рис 1.)

Страна производитель: Россия

Дополнительные характеристики:

Ед. изм.: тн

Масса, кг: 18,77

Размер: 820x46x107

Чертеж накладки 1Р-50: ГОСТ 19128-73

Материал накладки 1Р-50: сталь М54

Количество накладки 1Р-50 в 1 тонне: 53 шт

СИСТЕМЫ ИЗОЛЯЦИИ КСИ в Минске
Продукция Growers в Минске
Продукция Промизоляция в Минске