Описание: Накладка 1р-65 предназначена для соединения рельсов типа P-65 в зоне стыка.
Область применения: Накладка Р65 является шестидырной, вследствие чего, обеспечивает надежное закрепление рельсов. Рельсовые накладки устанавливаются c внешней и внутренней стороны рельсов и посредством стыковых болтов P-65 закрепляются.
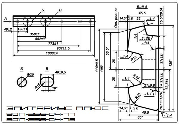
Схема (рис.1)

Страна производитель: Россия
Дополнительные характеристики:
Масса, кг: 29,50
Размер: 1000x60x130
Ед. изм.: тн
Чертеж накладки 1Р-65: ГОСТ 8193-73
Материал накладки 1Р-65: сталь М54
Количество накладки 1Р-65 в 1 тонне: 34 шт

